• 中国出版政府奖提名奖

    中国百强科技报刊

    湖北出版政府奖

    中国高校百佳科技期刊

    中国最美期刊

    留言板

    尊敬的读者、作者、审稿人, 关于本刊的投稿、审稿、编辑和出版的任何问题, 您可以本页添加留言。我们将尽快给您答复。谢谢您的支持!

    姓名
    邮箱
    手机号码
    标题
    留言内容
    验证码

    东濮凹陷古近系锶、硫、氧同位素组成及古环境意义

    史忠生 陈开远 何生

    史忠生, 陈开远, 何生, 2005. 东濮凹陷古近系锶、硫、氧同位素组成及古环境意义. 地球科学, 30(4): 430-436.
    引用本文: 史忠生, 陈开远, 何生, 2005. 东濮凹陷古近系锶、硫、氧同位素组成及古环境意义. 地球科学, 30(4): 430-436.
    SHI Tei-sheng, CHEN Kai-yuan, HE Sheng, 2005. Strontium, Sulfur and Oxygen Isotopic Compositions and Significance of Paleoenvironment of Paleogene of Dongpu Depression. Earth Science, 30(4): 430-436.
    Citation: SHI Tei-sheng, CHEN Kai-yuan, HE Sheng, 2005. Strontium, Sulfur and Oxygen Isotopic Compositions and Significance of Paleoenvironment of Paleogene of Dongpu Depression. Earth Science, 30(4): 430-436.

    东濮凹陷古近系锶、硫、氧同位素组成及古环境意义

    基金项目: 横向合作项目: “东濮凹陷盆地发育特征及其油气成藏机制研究”
    详细信息
      作者简介:

      史忠生(1978-),男,博士研究生,从事石油地质方面的研究.E-mail: shiluck@163.com

    • 中图分类号: P59

    Strontium, Sulfur and Oxygen Isotopic Compositions and Significance of Paleoenvironment of Paleogene of Dongpu Depression

    • 摘要: 东濮凹陷是渤海湾地区一个典型的盐湖盆地,其古近系沙河街组发育多套盐岩.通过对古近系锶、硫、氧同位素组成特征的研究,讨论了古近系盐类沉积的成因及当时的古环境.研究表明: (1)东濮凹陷古近系的盐岩为陆相成因而并非来源于海水的侵入,其湖水锶同位素的主要控制因素为高87Sr/86Sr(0.720±0.005)的壳源硅铝质岩石;(2)东濮凹陷古近系盐岩中的δ34S((28~33)×10-3)普遍偏高且大于现代海相蒸发盐中的δ34S(20×10-3),表明盐类形成时的沉积环境对硫酸盐是封闭的,而对H2S是开放的;(3)锶和氧的同位素变化特征表明: 东濮凹陷在由Es4上段向Es3上段过渡时气候较为湿润,降雨量逐渐增大,导致δ18O的降低和87Sr/86Sr值的升高;而由Es3上段向Es1段过渡时,气候骤然变得干旱,导致降雨量减小,蒸发量增大.

       

    • 图  1  东濮凹陷构造分区简图

      Fig.  1.  Schematic map of structures in Dongpu depression

      图  2  不同层位87Sr/86Sr平均值特征

      Fig.  2.  Average value of 87Sr/86Sr of different layers

      图  3  不同层位δ34S组成特征

      Fig.  3.  δ34S composition character of different layers

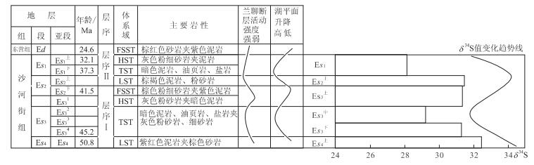
      图  4  硫同位素的组成特征与层序发育特征的对应关系(陈发亮等,2000)

      LST.低位体系域;TST.水侵体系域;HST.高位体系域;FSST.下降体系域

      Fig.  4.  Relationship between sulfur isotopic composition and sequence development

      图  5  不同层位氧同位素组成特征

      Fig.  5.  δ18O composition character of different layers

      表  1  不同层位87Sr/86Sr值的组成特征

      Table  1.   Composition character of 87Sr/86Sr of different layers

    • Bailey, S.W., Hornbeck, J.W., Priscoll, C.T., et al., 1996.Calcium inputs and transport in a base poor forest ecosystem as interpreted by Sr isotopes.Water Resources Research, 32: 707-719. doi: 10.1029/95WR03642
      Chen, F.L, Zhu, H., Li, X.T., et al., 2000.Partition of sequence strata and discussion about salt-rock resource in Shahejie Formation of Eogene, Dongpu depression.Acta Sedimentologica Sinica, 18(3): 384-394(in Chinese with English abstract).
      Deng, H.W., Qian, K., 1993.Sedimentary geochemistry and environmental analysis.Gansu Science and Technology Press, Lanzhou(in Chinese).
      Douglas, G.B., Gray, C.M, Hart, B.T., et al., 1995.A strontium isotopic investigation of the origin of suspended particulate matter(SPM)in the Murray-Darling River system, Australia.Ceochim.Cosmochim.Acta, 59: 3799. doi: 10.1016/0016-7037(95)00266-3
      Faure, G., 1986.Principle of isotope geology.2nd Edition.John Wiley & Sons.New York, 117-199.
      Holser, W.T., Kaplan, I.R., 1966.Isotope geochemistry of sedimentary sulfates.Cherll.Geol. , 1: 93-135. doi: 10.1016/0009-2541(66)90011-8
      Kerry, K., 1987.Lacaustrine basin analysis and correlation by strontium isotope stratigraphy.Abstract of 13rd International Sedimentary.
      Li, R.W., Xin, M.A., 1989.Origin of evaporates of Dongpu basin.Acta Sedimentologica Sinica, 7(4): 14l-147(in Chinese with English abstract).
      Liu, Q., Chen, Y.H., Li, Y.C, et al., 1987.Mesozoic and Cenozoic salt deposition of terrigenous clastic chemical rock of China.Science and Technology Press, Beijing(in Chinese).
      Matin, E.E., Macdougall, J.D., 1991.Seawater Sr isotope at the Cretaceous/Tertiary.Earth Planet.Sci.Lett., 104: 166-180. doi: 10.1016/0012-821X(91)90202-S
      McArthur, J.M., Burnett, J., Hancock, J.M, 1992.Strontium isotopes at K/T boundary.Discussion.Nature, 355 (6355): 28. doi: 10.1038/355028a0
      Miller, E.K., Blum, J.D., Friedland, A.J., 1993.Determination of soil exchanheable-cation loss and weathering rates using Sr isotope.Nature, 362: 438-441. doi: 10.1038/362438a0
      Nielsen, H., Ricke, W., 1964.Schwefel-isotopenverhältnisse von evaporiten aus Deutschland.Ein.Beitrag zur kenntnis von δ34S im meerwasser-sulfat.Geochim.Cosmochim.Acta.28, 577-591. doi: 10.1016/0016-7037(64)90078-X
      Palmer, M.R., Edmond, J.M., 1989.The strontium isotopic budget of the modern ocean.Earth Planet.Sci.Lett., 92: 11-26. doi: 10.1016/0012-821X(89)90017-4
      Reinhardt, E.G., Blenkinsop, J., Patrerson, R.T., 1998.ASsessment of a Sr isotope(87Sr/86Sr)vital effect in marine taxa from Lee Stocking Island, Bahamas.Geo-Marine Letters, 18(3): 241-246. doi: 10.1007/s003670050074
      Ren, L.Y., Lin, G.F., Tan, Y.M., et al., 2002.Studying marine transgression of Early Tertiary in Dongpu depression from paleontologic and geochemical marks.Journal of Xi'an Petroleum Institute(Natural Science Edition), 17(1): 20-23(in Chinese with English abstract).
      Sakai, H., 1968.Isotopic properties of sulfur compounds in hydrothermal processes.Geochem.J., 2(1): 2.
      Xu, J.Z., Jiang, F.H., Zhang, X.Y., et al., 2003.Sedimentary characteristics and origin of salt rock of Shahejie Formation of Paleogene in Dongpu sag, Henan Province.Journal of Paleogeography, 5(2): 162-170(in Chinese with English abstract).
      Zhang, X.L., 1985.Relationship between carbon and oxygen stable isotope in carbonate rocks and paleosalinity and paleotemperature of seawater.Acta Sedimentologica Sinica, 3 (4): 17-30(in C11inese with English abstract).
      Zhang, X.Y., Wang, Y.S., Duan, H.M, et al., 2002.The halites formed in shallow water and hydrocarbon distribution in Dongpu depression.Fault-Block Oil & Gas Field, 9(4): 12-14(in Chinese with English abstract).
      陈发亮, 朱晖, 李绪涛, 等, 2000.东濮凹陷下第三系沙河街组层序地层划分及盐岩成因探讨.沉积学报, 18(3): 384-394. doi: 10.3969/j.issn.1000-0550.2000.03.010
      邓宏文, 钱凯, 1993.沉积地球化学与环境分析.兰州: 甘肃科学技术出版社.
      李任伟, 辛茂安, 1989.东濮盆地蒸发岩的成因.沉积学报, 7(4): 141-147. https://www.cnki.com.cn/Article/CJFDTOTAL-CJXB198904012.htm
      刘群, 陈郁华, 李银彩, 等, 1987.中国中、新生代陆源碎屑一化学岩型盐类沉积.北京: 科学技术出版社.
      任来义, 林桂芳, 谈玉明, 等, 2002.从古生物和地球化学标志看东濮凹陷早第三纪的海侵事件.西安石油学院学报(自然科学版), 17(1): 20-23. doi: 10.3969/j.issn.1673-064X.2002.01.005
      胥菊珍, 蒋飞虎, 张孝义, 等, 2003.河南东濮凹陷古近系沙河街组盐岩沉积特征及成因.古地理学报, 5(2): 162-170. doi: 10.3969/j.issn.1671-1505.2003.02.004
      张秀莲, 1985.碳酸盐岩中氧、碳稳定同位素与古盐度古水温的关系.沉积学报, 3(4): 17-30. https://www.cnki.com.cn/Article/CJFDTOTAL-CJXB198504001.htm
      张孝义, 王运所, 段红梅, 等, 2002.东濮凹陷北部浅水成盐与油气分布初探.断块油气田, 9(4): 12-14. doi: 10.3969/j.issn.1005-8907.2002.04.004
    • 加载中
    图(5) / 表(1)
    计量
    • 文章访问数:  4258
    • HTML全文浏览量:  535
    • PDF下载量:  31
    • 被引次数: 0
    出版历程
    • 收稿日期:  2004-12-15
    • 刊出日期:  2005-07-25

    目录

      /

      返回文章
      返回