Bulk Carbon Isotope Excursions of the Cenomanian through Turonian of Mid-Cretaceous in Southern Tibet
-
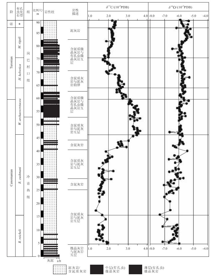
摘要: 过去大量关于白垩纪中期Cenomanian-Turonian時期的古海洋及其界线時期缺氧事件研究的高分辨率碳氧同位素的实际材料绝大多数都来自深海钻探(DSDP)、大洋钻探(ODP)和欧美的一些较深水盆地.通过对西藏南部地区(位处特提斯洋东南)同一层位高分辨率碳同位素分析, 目的在于为Cenomanian-Turonian古海洋及全球事件的碳同位素响应提供西藏地区的对比材料, 并试图就浅海相的变化情况进行探讨.西藏定日和岗巴地区的高分辨率碳同位素分析结果显示, δ13C值在Cenomanian中晚期稳定, Cenomanian-Turonian界线时期快速高幅正偏, Turonian期持续负偏, 这种长期变化趋势在特提斯甚至全球可以对比.深入研究还发现, Turonian中后期存在2个较大幅度的负偏凹陷区, 与来自欧洲的相关资料在偏移时间和幅度方面惊人相似.对比分析表明, 岗巴地区δ13C值长期变化和短期波动幅度及步调与定日及全球其他地区存在一定差别, 幅度差异可能与样品制备和成岩改造有关, 步调不一致则可能受生物地层定位的影响.研究区近海-半远洋环境Cenomanian-Turonian界线时期未出现典型富有机质黑色页岩, 说明δ13C值极度正偏与黑色页岩的出现并非一一对应.Abstract: In the past, huge high-resolution data of carbon and oxygen isotopic values on paleoceanography of the Cenomanian-Turonian and on anoxic event of its boundary passage were derived from DSDP, ODP and deeper basins in Euramerica, but few and rough data relevant came from southern Tibet, China. The new carbon isotope high-resolution data of the Cenomanian-Turonian in this paper aim to provide a correlation among Euramerica, DSDP, ODP and southeastern Tethys Ocean (southern Tibet), and try to characterize the carbon isotopic curve in shallower lithofacies background. Carbon isotopic values obtained from the Gongzha Section of Tingri and the Zongshan Section of Gamba, in southern Tibet, indicate a long-term tendency of Cenomanian through Turonian similar to those from Tethys even globe. The carbon isotopic values seldom change in the middle-late Cenomanian. An abrupt and high-amplitude positive excursion occurs near the passage bed of Cenomanian and Turonian, then goes negative in gradual in whole Turonian. At the same time, two negative excursion troughs are recognized at both the middle H. helvetica zone and the boundary of the H. helvetica and M. sigali zones by a moderate positive area between, which is the same as in Europe and ODP in time and pace and is in harmony with the global carbon cycle and climate changes. However, the much alterable excursions and paces of the δ13C value at Gamba are different from those at Tingri and other locations in the world. The former difference may be the result of diagenetic overprint, and the latter may be mistaken biozone positions. According to the potential correlation tool of carbon isotopes, it is suggested that the horizon of the Cenomanian-Turonian boundary may need to be promoted upward ca. 40 m. Lack of typical organic black shale at the Cenomanian-Turonian boundary in shallow sea area including southern and northern Tibetan Tethys Himalayas indicates the high δ13C values in the oceanic sediments are not the unique result of the oceanic anoxic event but a mixed response of global carbon reservoir.
-
Key words:
- carbon isotope /
- Cenomanian /
- Turonian /
- Cretaceous /
- Tethys Himalayas /
- Tibet
-
表 1 西藏定日贡扎剖面Cenomanian-Turonian期碳氧同位素比值
Table 1. Carbon and oxygen isotopic values in the Cenomanian-Turonian at the Gongzha Section, Tingri
表 2 西藏岗巴宗山剖面Cenomanian-Turonian期碳氧同位素比值
Table 2. Carbon and oxygen isotopic values in the Cenomanian-Turonian at the Zongshan Section, Gamba
-
Arthur, M.A., Premoli-Silva, I., 1982. Development of widespread organic carbon-rich strata in the Mediterranean Tethys. In: Schlanger, S.O., Cita, M.B., eds., Nature and origin of Cretaceous carbon-rich facies. Academic Press, London, 1-54. Bralower, T.J., 1988. Cenomanian-Turonian oceanic anoxic event; local perturbations on a global theme. AAPG Bulletin, 72(2): 165-166. Bralower, T.J., Arthur, M.A., Leckie, R.M., et al., 1994. Timing and paleoceanography of oceanic dysoxia/anoxia in the late Barremian to early Aptian. Palaio, 9: 335-369. doi: 10.2307/3515055 Crumiere, J. P., 1988. Paleo-oceanographic controls of a source rock(Thomel level) deposition; anoxic event around the Cenomanian-Turonian boundary in southeastern France. In: Mediterranean basins conference and exhibition. AAPG Bulletin, 72(8): 1966-1988. Davey, S.D., Jenkyns, H.C., 1999. Carbon-isotope stratigraphy of shallow-water limestones and implications for the timing of Late Cretaceous sea-level rise and anoxic (Cenomanian-Turonian of the peri-Adriatic carbonate platform, Croatia). Eclogae Geol. Helv., 92: 163-170. Erba, E., 1994. Nannofossils and superplumes: The early Aptian" nannoconid crisis". Paleoceanography, 9: 483-501. doi: 10.1029/94PA00258 Erbacher, J., Thurow, J., 1997. Influence of oceanic anoxic events on the evolution of mid-Cretaceous radiolaria in the North Atlantic and western Tethys. Marine Micropaleontology, 30: 139-158. doi: 10.1016/S0377-8398(96)00023-0 Gale, A.S., Jenkyns, H.S., Kennedy, W.J., et al., 1993. Chemostratigraphy versus biostratigraphy: Data from around the Cenomanian-Turonian boundary. Journal of Geology Society of London, 150: 29-32. doi: 10.1144/gsjgs.150.1.0029 Gradstein, F.M., Ogg, J.G., Smith, A.J., et al., 2004. A new geologic time scale, with special reference to Precambrian and Neogene. Episodes, 27(2): 83-100. doi: 10.18814/epiiugs/2004/v27i2/002 Gustafsson, M., Holbourn, A., Kuhnt, W., 2003. Changes in Northeast Atlantic temperature and carbon flux during the Cenomanian/Turonian paleoceanographic event: The Goban Spur stable isotope record. Palaeogeography, Palaeoclimatology, Palaeoecology, 201: 51-66. doi: 10.1016/S0031-0182(03)00509-1 Haq, B.U., Hardenbol, J., Vail, P.R., 1987. Chronology of fluctuating sea levels since the Triassic. Science, 235: 1156-1167. doi: 10.1126/science.235.4793.1156 Hart, M.B., Leary, P.N., 1991. Stepwise mass extinctions: The case for the Late Cenomanian event. Terra Nova, 3: 142-147. doi: 10.1111/j.1365-3121.1991.tb00866.x Hay, W.W., 1995. Paleoceanography of marine organic-carbon-rich sediments. In: Huc, A. Y., ed., Paleogeography, paleoclimate and source rocks. AAPG Studies in Geology, 40: 21-59. Hilbrecht, H., Frieg, C., Tröger, K.A., et al., 1996. Shallow water facies during the Cenomanian-Turonian anoxic event: Bio-events, isotopes, and sea level in southern Germany. Cretaceous Research, 17: 229-253. doi: 10.1006/cres.1996.0017 Jarvis, I., Carson, G., Hart, M., et al., 1988. The Cenomanian-Turonian(Late Cretaceous) anoxic event in SW England: Evidence from the Hooken Cliffs near Beer, SE Devon. Newsletters on Stratigraphy, 18: 147-164. doi: 10.1127/nos/18/1988/147 Jenkyns, H.C., Wilson, P.A., 1999. Stratigraphy, paleoceanography, and evolution of Cretaceous Pacific guyots: Relics from a greenhouse earth. American Journal of Science, 299: 341-392. doi: 10.2475/ajs.299.5.341 Jenkyns, H.C., Gale, A.S., Corfield, R.M., 1994. Carbon and oxygen isotope stratigraphy of the English Chalk and Italian Scaglia and its paleoclimatic significance. Geological Magazine, 131: 1-34. doi: 10.1017/S0016756800010451 Jenkyns, H.C., 1980. Cretaceous anoxic events: From continents to oceans. J. Goel. Soc. London, 137: 171-188. doi: 10.1144/gsjgs.137.2.0171 Kassab, A.S., Obaidalla, N.A., 2001. Integrated biostratigraphy and inter-regional correlation of the CenomanianTuronian deposits of Wadi Feiran, Sinai, Egypt. Cretaceous Research, 22: 105-114. doi: 10.1006/cres.2000.0240 Keller, G., Han, Q., Adatte, T., et al., 2001. Palaeoenvironment of the Cenomanian-Turonian transition at Eastbourne, England. Cretaceous Research, 22: 391-422. doi: 10.1006/cres.2001.0264 Leary, P.N., Carson, G.A., Cooper, M.K.E., et al., 1989. The biotic response to the late Cenomanian oceanic anoxic event; integrated evidence from Dover, SE England. J. Geol. Soc. London, 146: 311-317. doi: 10.1144/gsjgs.146.2.0311 Peryt, D., Wyrwicka, K., 1991. The Cenomanian-Turonian oceanic anoxic event in SE Poland. Cretaceous Research, 12(1): 65-80. doi: 10.1016/0195-6671(91)90028-B Schlanger, S.O., Jenkyns, H.C., 1976. Cretaceous oceanic anoxic events: Cause and consequence. Geolologie en Mijnbouw, 55: 179-184. Schlanger, S. O., Arthur, M. A., Jenkyns, H. C., et al., 1987. The Cenomanian-Turonian oceanic anoxic events, Ⅰ. Stratigraphy and distribution of organic carbon-rich beds and the marine δ13C excursion. In: Brooks, J., Fleet, A.J., eds., Marine petroleum source rocks. Geological Society Special Publications, 26: 371-399. Scholle, P.A., Arthur, M.A., 1980. Carbon isotope fluctuations in Cretaceous pelagic limestones: Potential stratigraphic and petroleum exploration tool. AAPG Bulletin, 64: 67-87. Shi, H., Huang, S.J., Shen, L.C., 2005. Late Cretaceous Sr isotope curves in Gamba, Tibet, China and its stratigraphic significance and discussion. Journal of Stratigraphy, 29(1): 28-33(in Chinese with English abstract). Stoll, H.M., Schrag, D.P., 2000. High-resolution stable isotope records from the Upper Cretaceous rocks of Italy and Spain: Glacial episodes in a greenhouse planet? GSA Bulletin, 112(2): 308-319. doi: 10.1130/0016-7606(2000)112<308:HSIRFT>2.0.CO;2 Tsikos, H., Jenkyns, H. C., Walsworth-Bell, B., et al., 2004. Carbon-isotope stratigraphy recorded by the Cenomanian-Turonian oceanic anoxic event: Correlation and implications based on three key locations. J. Geol. Soc. London, 161: 711-719. doi: 10.1144/0016-764903-077 Voigt, S., Hilbrecht, H., 1997. Late Cretaceous carbon isotope stratigraphy in Europe: Correlation and relations with sea level and sediment stability. Palaeogeography, Palaeoclimatology, Palaeoecology, 134: 39-60. doi: 10.1016/S0031-0182(96)00156-3 Voigt, S., Wiese, F., 2000. Evidence for Late Cretaceous (Late Turonian) climate cooling from oxygen-isotope variations and palaeogeographic changes in western and central Europe. J. Geol. Soc. London, 157: 737-743. doi: 10.1144/jgs.157.4.737 Voigt, S., 2000. Cenomanian-Turonian composite δ13C curve for western and central Europe: The role of organic and inorganic carbon fluxes. Palaeogeography, Palaeoclimatology, Palaeoecology, 160: 91-104. doi: 10.1016/S0031-0182(00)00060-2 Wan, X.Q., Wei, M.R., Li, G.B., 2003a. δ13C values from the Cenomanian-Turonian passage beds of southern Tibet. Journal of Asian Earth Sciences, 21(8): 861-866. doi: 10.1016/S1367-9120(02)00090-1 Wan, X.Q., Wignall, P.B., Zhao, W.J., 2003b. The Cenomanian-Turonian extinction and oceanic anoxic event: Evidence from South Tibet. Palaeogeography, Palaeoclimatology, Palaeoecology, 199(3-4): 283-298. doi: 10.1016/S0031-0182(03)00543-1 Wang, C.S., Hu, X.M., Jansa, L., et al., 2001. The Cenomanian-Turonian anoxic event in southern Tibet. Cretaceous Research, 22: 481-490. doi: 10.1006/cres.2001.0271 Wang, C.S., Xia, D.X., Zhou, X., et al., 1996. Field trip guide: T121 /T387 geology between the Indus-Yarlung Zangbo suture zone and the Himalaya mountains(Xizang), China. Geological Publishing House, Beijing, 72. Wiese, F., 1999. Stable isotope data(δ13C, δ18O) from the Middle and Upper Turonian(Upper Cretaceous) of Liencres(Cantabria, northern Spain)with a comparison to northern Germany(Söhlde& Salzgitter-Salder). Newsletters on Stratigraphy, 37: 37-62. doi: 10.1127/nos/37/1999/37 Wiese, F., Voigt, S., 2002. Late Turonian(Cretaceous) climate cooling in Europe: Faunal response and possible causes. Geobios, 35: 65-77. doi: 10.1016/S0016-6995(02)00010-4 Wilson, A. W., Norris, R. D., 2001. Warm tropical ocean surface and global anoxia during the mid-Cretaceous period. Nature, 412: 425-429. doi: 10.1038/35086553 Zhao, W. J., Wan, X. Q., 2001. Recovery of foraminifera from the Late Cretaceous Cenomanian-Turonian mass extinction in Gamba. Acta Palaeontologica Sinica, 40(2): 189-194(in Chinese with English abstract). Zhao, W. J., Wan, X. Q., 2003. Palaeoceanographic events near the Cenomanian-Turonian boundary in Tingri, southern Tibet, China. Chinese Journal of Geology, 38(2): 155-164(in Chinese with English abstract). Zhong, S. L., Zhou, Z. C., Willems, H., et al., 2000. The Middle Cretaceous calcareous nannofossil zones in Gamba area, southern Xizang(Tibet), China and the Cenomanian-Turonian boundary. Acta Palaeontologica Sinica, 39(3): 313-325. 石和, 黄思静, 沈立成, 2005. 西藏岗巴晚白垩世锶同位素曲线的地层学意义及问题讨论. 地层学杂志, 29(1): 28-33. doi: 10.3969/j.issn.0253-4959.2005.01.005 赵文金, 万晓樵, 2001. 西藏南部岗巴地区晚白垩世Cenomanian-Turonian集群灭绝事件后有孔虫动物群的复苏. 古生物学报, 40(2): 189-194. doi: 10.3969/j.issn.0001-6616.2001.02.003 赵文金, 万晓樵, 2003. 藏南定日地区Cenomanian-Turonian界线附近的生物古海洋事件. 地质科学, 38(2): 155-164. doi: 10.3321/j.issn:0563-5020.2003.02.002 -




下载: